0
Skip to Content
Matrix Robotics
Home
About
Accomplishments
Into the Deep '24
Decode '25
Sponsors
Shifting the Stats
FIRSTLikeAGirl
Events Calendar
All Events
Socials
FLL Crash Course
FLL Quick Links
Programming and Building Robots
Innovation Project Videos
Workshop Presentations
Donate
Matrix Robotics
Home
About
Accomplishments
Into the Deep '24
Decode '25
Sponsors
Shifting the Stats
FIRSTLikeAGirl
Events Calendar
All Events
Socials
FLL Crash Course
FLL Quick Links
Programming and Building Robots
Innovation Project Videos
Workshop Presentations
Donate
Home
Folder: About Us
Back
About
Accomplishments
Folder: Our Robots
Back
Into the Deep '24
Decode '25
Sponsors
Folder: Outreach
Back
Shifting the Stats
FIRSTLikeAGirl
Events Calendar
All Events
Socials
Folder: Resources
Back
FLL Crash Course
FLL Quick Links
Programming and Building Robots
Innovation Project Videos
Workshop Presentations
Donate
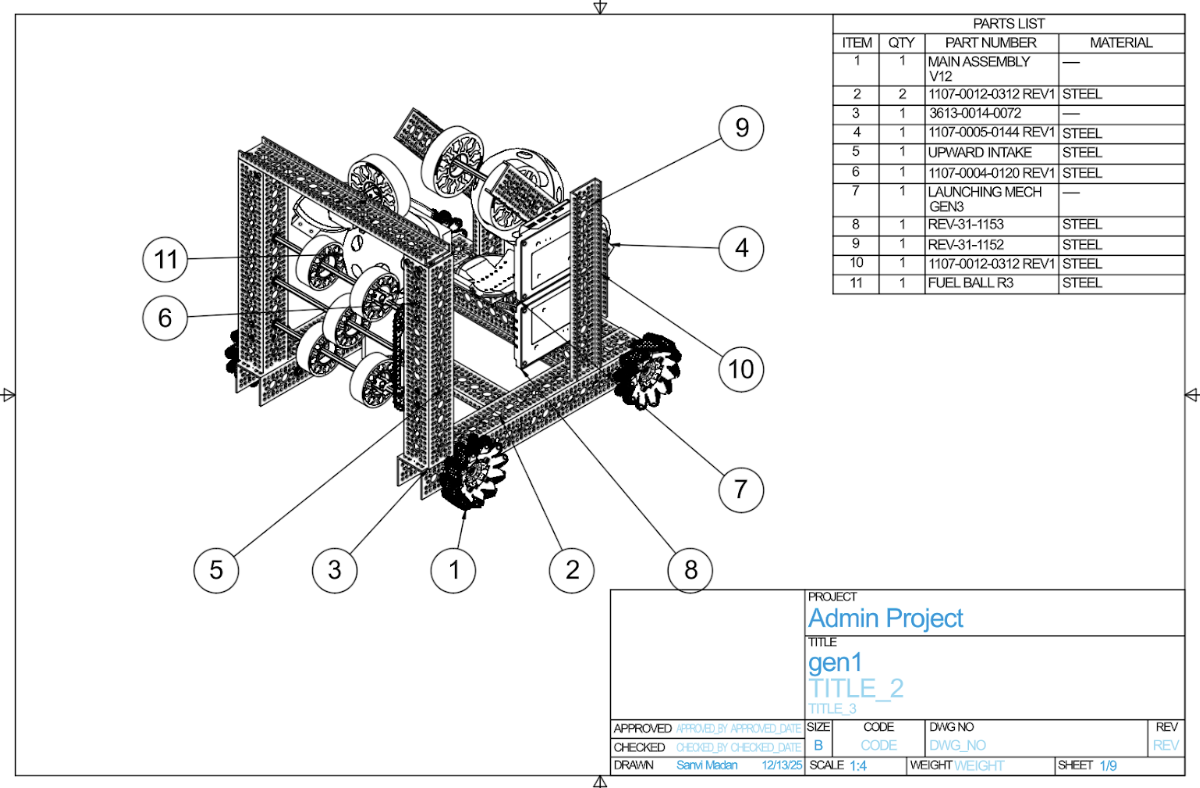
Gen 1
Gen 2

Competition Bot Overview

Gen 1

Gen 2

Photos and Images

Matrix Robotics

About Contact

#FIRSTlikeagirl

Sponsors

Statsig

SeattleThunder Bolts

Masthi’s Bar & Grill

Pure Barre

Get Involved
Get Involved